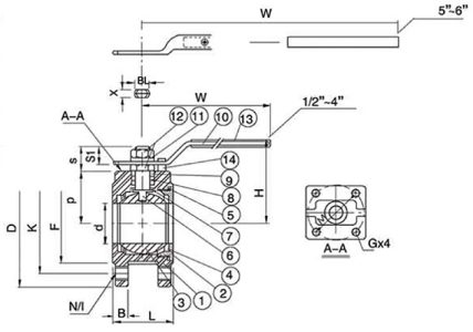
| ITEM | PARTS | QTY | MATERIAL |
| 1 | BODY | 1 | ASTM-A351-CF8M |
| 2 | INSERT | 1 | ASTM-A351-CF8M |
| 3 | BALL | 1 | ASTM-A351-CF8M |
| 4 | BALL SEAT | 2 | PTFE |
| 5 | JOINT GASKET | 1 | PTFE |
| 6 | STEM | 1 | AISI 316 |
| 7 | THRUST WASHER | 1 | PTFE |
| 8 | STEM PACKING | 2 | PTFE |
| 9 | HIGH WASHER | 1 | AlSI 304 |
| 10 | HANDLE | 1 | AISI 304 |
| 11 | SPRING WASHER | 1 | AISI 304 |
| 12 | STEM NUT | 2 | AISI 304 |
| 13 | PLASTIC COVER | 1 | PLASTIC |
| 14 | STOP PIN | 1 | AISI 304 |
| DN | d | L | D | K | N/1 | B | F | P | S | S1 | X | BL | ISO5211G | H | W | CvFactor | Torquekgf-cm |
|---|---|---|---|---|---|---|---|---|---|---|---|---|---|---|---|---|---|
| 15 | 15 | 40 | 95 | 65 | 4-M 12 | 14 | 45 | 34.5 | 17 | 10.5 | 6.5 | 10 | F03 | 63 | 125 | 10 | 58 |
| 20 | 20 | 44 | 105 | 75 | 4-M 12 | 16 | 58 | 38.5 | 17 | 10.5 | 6.5 | 10 | F03 | 68 | 125 | 25 | 80 |
| 25 | 25 | 53 | 115 | 85 | 4-M 12 | 16 | 68 | 44.6 | 24 | 16.5 | 8.7 | 14 | F04 | 81 | 160 | 35 | 108 |
| 32 | 32 | 58.4 | 140 | 100 | 4-M 16 | 16 | 78 | 51 | 24 | 16.5 | 8.7 | 14 | F04 | 87 | 160 | 46 | 150 |
| 40 | 38 | 62 | 150 | 110 | 4-M 16 | 16 | 88 | 55 | 29 | 21 | 10 | 16 | F05 | 98 | 200 | 80 | 200 |
| 50 | 50 | 72 | 165 | 125 | 4-M 16 | 18 | 102 | 63 | 29 | 21 | 10 | 16 | F05 | 105 | 200 | 110 | 300 |
| 65 | 65 | 94 | 185 | 145 | 4-M 16 | 18 | 122 | 73.5 | 36 | 26 | 12 | 20 | F07 | 121 | 250 | 310 | 515 |
| 80 | 76 | 118 | 200 | 160 | 8-M 16 | 20 | 138 | 94 | 36 | 26 | 12 | 20 | F07 | 153 | 285 | 350 | 810 |
| 100 | 96 | 140 | 220 | 180 | 8-M 16 | 20 | 158 | 105.5 | 36 | 26 | 12 | 20 | F07 | 164 | 338 | 720 | 1130 |