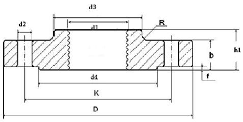
| Rated Diameter | Flange | Neck | Raised face | Screws | Weight of a flange (7,85 Kg/dm3) |
||||||||
|---|---|---|---|---|---|---|---|---|---|---|---|---|---|
| d1 | Thread | k | D | b | h1 | d3 | d4 | f | d2 | Thread | Bolt holes | KG | |
| 15 | 21,3 | R 1/2″ | 55 | 80 | 12 | 20 | 30,0 | 40,0 | 2,0 | 11 | M10 | 4 | 0,373 |
| 20 | 26,9 | R 3/4″ | 65 | 90 | 14 | 24 | 40,0 | 50,0 | 2,0 | 11 | M10 | 4 | 0,584 |
| 25 | 33,7 | R 1″ | 75 | 100 | 14 | 24 | 50,0 | 60,0 | 2,0 | 11 | M10 | 4 | 0,729 |
| 32 | 42,4 | R 1-1/4″ | 90 | 120 | 14 | 26 | 60,0 | 70,0 | 2,0 | 14 | M12 | 4 | 1,040 |
| 40 | 48,3 | R 1-1/2″ | 100 | 130 | 14 | 26 | 70,0 | 80,0 | 3,0 | 14 | M12 | 4 | 1,200 |
| 50 | 60,3 | R 2″ | 110 | 140 | 14 | 28 | 80,0 | 90,0 | 3,0 | 14 | M12 | 4 | 1,340 |
| 65 | 76,1 | R 2-1/2″ | 130 | 160 | 14 | 32 | 100,0 | 110,0 | 3,0 | 14 | M12 | 4 | 1,830 |
| 80 | 88,9 | R 3″ | 150 | 190 | 16 | 34 | 110,0 | 128,0 | 3,0 | 18 | M16 | 4 | 2,750 |
| 100 | 114,3 | R 4″ | 170 | 210 | 16 | 40 | 130,0 | 148,0 | 3,0 | 18 | M16 | 4 | 3,010 |
| 125 | 139,7 | R 5″ | 200 | 240 | 18 | 44 | 160,0 | 178,0 | 3,0 | 18 | M16 | 8 | 4,300 |
| 150 | 168,3 | R 6″ | 225 | 265 | 18 | 44 | 185,0 | 202,0 | 3,0 | 18 | M16 | 8 | 4,630 |
| Rated Diameter | Flange | Neck | Raised face | Screws | Weight of a flange (7,85 Kg/dm3) |
||||||||
|---|---|---|---|---|---|---|---|---|---|---|---|---|---|
| d1 | Thread | k | D | b | h1 | d3 | d4 | f | d2 | Thread | Bolt holes | KG | |
| 15 | 21,3 | R 1/2″ | 65 | 95 | 16 | 22 | 35,0 | 45,0 | 2,0 | 14 | M12 | 4 | 0,722 |
| 20 | 26,9 | R 3/4″ | 75 | 105 | 18 | 26 | 45,0 | 58,0 | 2,0 | 14 | M12 | 4 | 1,040 |
| 25 | 33,7 | R 1″ | 85 | 115 | 18 | 28 | 52,0 | 68,0 | 2,0 | 14 | M12 | 4 | 1,250 |
| 32 | 42,4 | R 1-1/4″ | 100 | 140 | 18 | 30 | 60,0 | 78,0 | 2,0 | 18 | M16 | 4 | 1,810 |
| 40 | 48,3 | R 1-1/2″ | 110 | 150 | 18 | 32 | 70,0 | 88,0 | 3,0 | 18 | M16 | 4 | 2,060 |
| 50 | 60,3 | R 2″ | 125 | 165 | 18 | 28 | 84,0 | 102,0 | 3,0 | 18 | M16 | 4 | 2,390 |
| 65 | 76,1 | R 2-1/2″ | 145 | 185 | 18 | 32 | 104,0 | 122,0 | 3,0 | 18 | M16 | 4 | 2,970 |
| 80 | 88,9 | R 3″ | 160 | 200 | 20 | 34 | 118,0 | 138,0 | 3,0 | 18 | M16 | 8 | 3,780 |
| 100 | 114,3 | R 4″ | 180 | 220 | 20 | 40 | 140,0 | 158,0 | 3,0 | 18 | M16 | 8 | 4,380 |
| 125 | 139,7 | R 5″ | 210 | 250 | 22 | 44 | 168,0 | 188,0 | 3,0 | 18 | M16 | 8 | 6,070 |
| 150 | 168,3 | R 6″ | 240 | 285 | 22 | 44 | 195,0 | 212,0 | 3,0 | 22 | M20 | 8 | 7,240 |