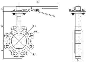
| Size | H1 | H2 | H3 | L | L1 | φ1 | φ2 | n-M | ||||
| mm | inch | ANSIB16.1 | DINPN10 | DINPN16 | ANSI | DIN | ||||||
| 50 | 2″ | 76 | 162 | 32 | 45 | 267 | 120.65 | 125 | 125 | 88 | 4-5/8″-11 | 4-M16 |
| 65 | 21/2″ | 80 | 175 | 32 | 48 | 267 | 139.7 | 145 | 145 | 108 | 4-5/8″-11 | 4-M16 |
| 80 | 3″ | 95 | 181 | 32 | 49 | 267 | 152.4 | 160 | 160 | 118 | 4-5/8″-11 | 4-M16 8-M16 |
| 100 | 4″ | 114 | 200 | 32 | 55 | 267 | 190.5 | 180 | 180 | 156 | 8-5/8″-11 | 8-M16 |
| 125 | 5″ | 127 | 213 | 32 | 58 | 267 | 215.9 | 210 | 210 | 181 | 8-3/4″-10 | 8-M16 |
| 150 | 6″ | 140 | 225 | 32 | 59 | 267 | 241.3 | 240 | 240 | 210 | 8-3/4″-10 | 8-M20 |
| 200 | 8″ | 173 | 260 | 45 | 64 | 356 | 298.45 | 295 | 295 | 260 | 8-3/4″-10 | 8-M20 12-M20 |
| 250 | 10″ | 203 | 292 | 45 | 70 | 356 | 361.95 | 350 | 355 | 321 | 12-7/8″-9 | 12-M20 12-M24 |
| 300 | 12″ | 237 | 337 | 45 | 80 | 356 | 431.8 | 400 | 410 | 384 | 12-7/8″-9 | 12-M20 12-M24 |